Skip To Content

Anti Backlash Gears

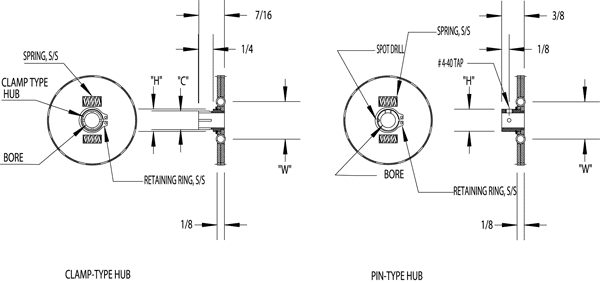
BORE*“C” DIMENSION
.1250.188 - .003
.1875.250 - .003
.2500.312 - .003

*BORE TOLERANCE: +.0003, -.0002

O.D. RANGE“H” DIA.“W” B.C.
1” – 2”3/85/8”
2” – 2½“9/161½”
3½”  - 6½”9/162-3/8”
Anti Backlash Gears

MATERIALS:

  • GEAR: 2024 ALUMINUM, ANODIZED BEFORE CUTTING
  • HUB: 303 STAINLESS STEEL

AVAILABLE IN STOCK FROM 32 D.P. TO 120 D.P. / 0.8 TO 0.2 MODULE, 1 INCH TO 6½ INCH O.D.

Anti Backlash Gears

AVAILABLE ON REQUEST:

  • AGMA QUALITY 12+
  • 14½° OR OTHER PRESSURE ANGLE
  • SMALLER OR LARGER DIAMETERS
  • STAINLESS STEEL GEARS
  • OTHER BORE SIZES
  • HEAVY-DUTY ASSEMBLIES
  • LOCKNUT-STYLE HUBS
  • SMALLER OR LARGER FACE WIDTHS
Anti Backlash Gears